Digitális RTF Rh vevő tervezése és építése

2020 február

Bevezetés

Az elmult 10-15 év folyamán számos RTF Rh vevő épült és került hazai versenyzőkhöz, melyeket sok (tíz)éves tervezői gyakorlattal rendelkező, az ARDF Eb, Vb dobogós helyezettjei, alkották. Ezen vevők közös jellemzője, hogy a Sprint és Foxoring ARDF Eb, Vb versenyszámok bevezetése előtti (2011/12) konstrukciók. Ez utóbbi versenyszám magasabb műszaki követelményeket támaszt az RTF Rh vevőkkel szemben.

Az RTF Rh szuperheterodin rendszerű vevők érzékenysége, a kvarc 1 kHz sávszélességű létraszűrők alkalmazásával, lényegesen megnőtt [1,2]. Ezeknél a vevőknél, a bipoláris tranzisztorokból kialakított Collpits LC keverő oszcillátor frekvenciájának hőmérséklet függése, a -10…+50 °C üzemi tartományban, jelentős. Méréseink szerint ez az érték a Marecek SUPERFOX 3,5GX tipusú vevőknél kb. 550 Hz/°C, ami elfogadhatatlan, mivel az utóbbi évek ARDF Vb és Eb Foxoring versenyein 4 különböző frekvencián üzemelnek az iránymérő adók.

karakterisztika

A módosított Cohn tipusú 8 MHz-es kvarc KF létraszűrő átviteli karakterisztikája

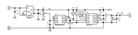
Áramköri megoldás

A technikai megoldást, a Direkt Digitális Szintézer (DDS) alkalmazása, keverő oszcillátoraként, jelenti, ami a SUPERFOX 3,5GX tipusú vevőnél mért 550 Hz/°C hőmérséklet függés 0,5 Hz/°C- ra csökken. Első lépésként néhány, a hazai SUPERFOX 3,5GX tipusú vevő SA612 alapú helyi oszcillátorát DDS alapú VFO-ra cseréltem 2018-ban. Ezekkel versenyzett Moravszki János, László Károly és jómagam 2019-ben az ARDF Eb-n, vamint a hazai versenyeken.


DDS VFO

DDS VFO

Kereskedelmi forgalomból a Marecek cég SUPERFOX 3,5M tipusú ferrit antennás digitalis Rh vevő 300 euróért rendelhető, mig az ukrán FoxRex cég több mint 400 euróért keretantennás verziót forgalmaz.

A DIGIFOX 80M tipusú digitális Rh vevő 0805 méretű alkatrész bázisra épül. A prototipus megépítése és tesztelése után rendeltem 10 módosított nyák garniturát - a befoglaló ónozott nyák dobozok elemeivel együtt - Kínából. Mind a 10 egységet megszereltem, bemértem és terepen teszteltem. Részletes ismertető a www.ardf.hu honlap Letöltések/Technika rovatban található.

MŰSZAKI JELLEMZŐK

Digitális RTF Rh Vevő

DIGIFOX 80M

Rendszer: kétszer transzponált szuper

Antenna: ferrit + botantenna

Előre-hátra viszony: >40 dB

Üzemmód: A1A

Frekvencia tartomány: 3500…3610 kHz

Érzékenységszabályozás tartománya: 120 dB

Kf sávszélesség: <1 kHz @-3 dB, 4 kHz @-60 dB

Frekvencia stabilitás: <0,5 Hz/°C

Érzékenység (S/N 3 dB): -135 dBm ±1 dBm @3500…3610 kHz

Tápforrás: LiPol akkumulátor 7,4 V/ 500 mAh

Áramfelvétel: 35 mA

Méretek: 150 (Sz) x 180(H) x 30 (M) mm

Tömeg: 300 g

Üzemi hőmérséklet tartomány: -10...+ 50°C.

Referenciák

[1] 80 Metre ARDF Radio Sport Receiver (VK3YNG, April 2003).

[2] “Fuchsjagd” in Österreich, 80m Peiler SUPERFOX 3,5GX, 2013, p.98.

Harald Gosch, OE6GC.

[3] En modern kristallstyrd oscillator för experiment QTC Amatörradio 2017.04. p.8-9. Bo Lenander, SM5CJW.

dr. Paál András, HG0HK

mailto:andras.paal@fysik.su.se

RX